Zhejiang Sehnaider Electric Co., Ltd.
Zhejiang Sehnaider Electric Co., Ltd.
Táirgeacht
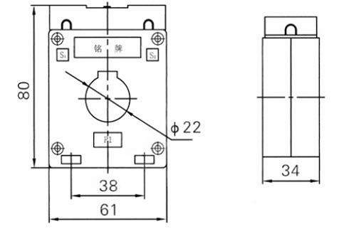
BH-0.66-20 Trasfhoirmeoirí Reatha
  • BH-0.66-20 Trasfhoirmeoirí ReathaBH-0.66-20 Trasfhoirmeoirí Reatha

BH-0.66-20 Trasfhoirmeoirí Reatha

BH-0.66-20 Is claochladáin reatha ardchaighdeáin iad claochladáin reatha atá deartha chun sruthanna leictreacha a thomhas agus a mhonatóireacht go cruinn in iarratais thionsclaíocha éagsúla. Le sruth rátáilte de 0.66A agus minicíocht 50/60Hz, soláthraíonn na claochladáin seo feidhmíocht iontaofa agus léamha beachta.

Tá dearadh dlúth agus láidir i gceist le claochladáin reatha BH-0.66-20, rud a fhágann go bhfuil siad oiriúnach do shuiteáil i spásanna diana agus i dtimpeallachtaí crua. Tá ábhair agus comhpháirteanna ardcháilíochta acu chun cobhsaíocht agus marthanacht fhadtéarmach a chinntiú.


Is furasta na claochladáin reatha seo a shuiteáil agus a chothabháil, rud a fhágann go bhfuil siad oiriúnach do raon leathan feidhmeanna, lena n -áirítear dáileadh cumhachta, bainistíocht fuinnimh, agus uathoibriú tionsclaíoch. Cloíonn siad le caighdeáin idirnáisiúnta maidir le sábháilteacht agus feidhmíocht, ag tabhairt suaimhneas intinne agus muiníne d'úsáideoirí ina gcuid oibríochtaí.


Tríd is tríd, is iad na claochladáin reatha BH-0.66-20 an rogha iontach do thomhas agus monatóireacht chruinn reatha i suíomhanna tionsclaíocha, ag tairiscint iontaofacht, cruinneas, agus marthanacht do chórais leictreacha éagsúla.


Príomhpharaiméadair theicniúla

Bunscoil rátáilte
sruth (a)
Cruinneas
ranganna
comhcheangal
Aschur tánaisteach rátáilte (VA) Is sruth teirmeach é (ka) Reatha Dinimiciúil Rátáilte (KA)
0.2 (s) 0.2 0.5 10p10
5-40 0.2/10p10
0.5/10p10
/ 10 10 15 90ár 220lise
5-40 100lims 250 ítimí
5-40 20 50
5-40
5-40 36 90
10
5-40 45 100
5-40 56 100
5-40
5-40 80 110
5-40 100 110



Hot Tags: BH-0.66-20 Trasfhoirmeoirí Reatha
Seol Fiosrúchán
Eolas teagmhála
Má tá aon fhiosrúchán agat faoi luachan nó comhoibriú, bíodh leisce ort ríomhphost a chur chugainn ag abhainn@dahuelec.com nó an fhoirm fiosrúcháin seo a leanas a úsáid. Rachaidh ár n -ionadaí díolacháin i dteagmháil leat laistigh de 24 uair an chloig. Go raibh maith agat as do spéis inár dtáirgí.
X
We use cookies to offer you a better browsing experience, analyze site traffic and personalize content. By using this site, you agree to our use of cookies. Privacy Policy
Reject Accept