Zhejiang Sehnaider Electric Co., Ltd.
Zhejiang Sehnaider Electric Co., Ltd.
Táirgeacht
BH-0.66-30 Claochladáin Reatha
  • BH-0.66-30 Claochladáin ReathaBH-0.66-30 Claochladáin Reatha

BH-0.66-30 Claochladáin Reatha

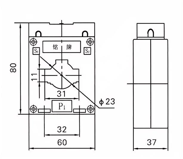
Is ionstraimí beacht-innealtóireachta iad na claochladáin reatha BH-0.66-30 (CTS) atá deartha chun tomhas agus monatóireacht chruinn reatha a thomhas agus a mhonatóireacht i gcórais leictreacha ísealvoltais. Le voltas inslithe rátáilte de 0.66kV, tá na claochladáin seo oiriúnach le haghaidh bainistíochta fuinnimh, sealaíocht chosanta, agus feidhmchláir méadraithe.

Gnéithe:

Cruinneas ard: Buaileann sé le caighdeáin IEC 61869, ag cinntiú feidhmíocht iontaofa chun críocha billeála agus monatóireachta.

Dearadh Dlúth: tógáil spáis-shábháil le haghaidh suiteáil éasca i spásanna daingean.

Raon reatha leathan: Sruth bunscoile suas le 30a, atá oiriúnach do ualaí éagsúla tionsclaíocha agus tráchtála.

Ábhair mharthanacha: Soláthraíonn tithíocht láidir frithsheasmhacht in aghaidh tosca comhshaoil agus strus meicniúil.

Comhlíonadh Sábháilteachta: BH-0.66-30 Claochladáin Reatha ag cloí le deimhnithe sábháilteachta agus feidhmíochta idirnáisiúnta.


Iarratais:

Méadrú fuinnimh i gcórais dáilte cumhachta.

Cosaint forshrutha i scoradáin chiorcaid agus i rásanna sealaíochta.

Comhtháthú le greillí cliste agus réitigh monatóireachta bunaithe ar IoT.

Sonraíochtaí Teicniúla:

Voltas Rátáilte: 0.66KV

Minicíocht: 50/60Hz

Rang cruinnis: 0.5, 1.0 (saincheaptha)

Ualach: De réir riachtanais na gcustaiméirí


Príomhpharaiméadair theicniúla

Bunscoil rátáilte
sruth (a)
Cruinneas
ranganna
comhcheangal
Aschur tánaisteach rátáilte (VA) Is sruth teirmeach é (ka) Reatha Dinimiciúil Rátáilte (KA)
0.2 (s) 0.2 0.5 10p10
5-40 0.2/10p10
0.5/10p10
/ 10 10 15 90ár 220lise
5-40 100lims 250 ítimí
5-40 20 50
5-40
5-40 36 90
10
5-40 45 100
5-40 56 100
5-40
5-40 80 110
5-40 100 110


Hot Tags: BH-0.66-30 Claochladáin Reatha
Seol Fiosrúchán
Eolas teagmhála
Má tá aon fhiosrúchán agat faoi luachan nó comhoibriú, bíodh leisce ort ríomhphost a chur chugainn ag abhainn@dahuelec.com nó an fhoirm fiosrúcháin seo a leanas a úsáid. Rachaidh ár n -ionadaí díolacháin i dteagmháil leat laistigh de 24 uair an chloig. Go raibh maith agat as do spéis inár dtáirgí.
X
Úsáidimid fianáin chun eispéireas brabhsála níos fearr a thairiscint duit, chun anailís a dhéanamh ar thrácht an tsuímh agus chun inneachar a phearsantú. Trí úsáid a bhaint as an suíomh seo, aontaíonn tú lenár n-úsáid a bhaint as fianáin. Beartas Príobháideachta
Diúltaigh Glac