Zhejiang Sehnaider Electric Co., Ltd.
Zhejiang Sehnaider Electric Co., Ltd.
Táirgeacht
BH-0.66-50 Claochladáin Reatha
  • BH-0.66-50 Claochladáin ReathaBH-0.66-50 Claochladáin Reatha

BH-0.66-50 Claochladáin Reatha

Is ionstraimí beachta iad na claochladáin reatha BH-0.66-50 atá deartha chun sruthanna leictreacha a thomhas agus a mhonatóireacht go cruinn in iarratais thionsclaíocha éagsúla. Le sruth rátáilte de 50A agus cóimheas claochlaithe de 0.66, soláthraíonn na claochladáin seo cumais tomhais reatha iontaofa agus beacht.

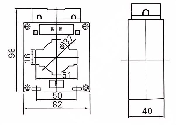
Trasfhoirmeoir reatha roisín eapocsa faoi dhíon nó Casing Plaisteach faoi Dhíon Claochladán Reatha

• Céim aonair, dhá chéim nó trí chéim.

• Voltas Rátáilte: 0.66KV

• Rang méadraithe do CT: 0.2s, 0.2,0.5, 0.5s

• Caighdeán: IEC61869-2

• Cineál Ainm: BH-0.66-50

Úsáidtear an claochladán reatha de chineál tirim faoi dhíon i 0.66kV, 0.75kV. Córas cumhachta, chun tomhas agus cosaint a thomhas.

Baineadh úsáid as i lascthrealamh cubicle nó i stáisiúin lasctha suiteáilte ó bhá.

Déantar na claochladáin reatha BH-0.66-50 as roisín eapocsa faoi dhíon ardteochta, croí cóimhiotail éagruthach le haghaidh méadrúcháin agus ardcháilíochta taobh istigh de chroílár cosanta, bunscoile agus copair leictrealaíoch íon.


Iarratais:

Córais Dáileacháin Cumhachta

Córais Bhainistíochta Fuinnimh

Monatóireacht ar threalamh tionsclaíoch

Córais Fuinnimh In -athnuaite


Ábhair préimhe 1.

Cores ard-ghrád: Cruach sileacain-lannaithe beacht nó croíleacáin nanocrystalline le haghaidh caillteanais íosta agus líneachta ard.  

Insliú láidir: Cinntíonn dearaí roisín eapocsa cobhsaíocht fhadtéarmach i dtimpeallachtaí crua.  


2. Feidhmíocht níos fearr

Cruinneas: Aicme 0.2/0.5 le haghaidh méadraithe, 5p/10p le haghaidh cosanta, ag cloí le caighdeáin IEC 61869, 60044, IEEE, agus ANSI.  

Raon leathan: tacaíonn sé le córais 0.6kV-36KV, le cóimheasa/minicíocht saincheaptha (50/60Hz).  

Ardú Teirmeach Íseal: Laghdaíonn dearadh optamaithe róthéamh, ag leathnú saolré.  

Díolúine EMC: sciatha i gcoinne cur isteach leictreamaighnéadach ar chomharthaí iontaofa.  


3. Seirbhís & Tacaíocht

Réitigh saincheaptha: cóimheasa, méideanna, nó cónascairí saincheaptha (m.sh., DIN Rail, Críochfoirt IEC).  

Deimhnithe Domhanda: IEC, CE, ISO, agus faomhadh eangaí áitiúla.  

Cúnamh teicniúil ar feadh an tsaoil: Tacaíocht 24/7, treoir suiteála, agus soláthar páirteanna spártha.  

Seachadadh tapa: Táirgí caighdeánacha i 2-4 seachtaine; Roghanna brostaithe do riachtanais phráinneacha.  


Príomhpharaiméadair theicniúla

Bunscoil rátáilte
sruth (a)
Cruinneas
ranganna
comhcheangal
Aschur tánaisteach rátáilte (VA) 1s sruth teirmeach (KA) 1S Reatha Dinimiciúil Rátáilte (KA)
0.2 (s) 0.2 0.5 10p10
5-40 0.2/10p10
0.5/10p10
/ 10 10 15 90ár 220lise
5-40 100lims 250 ítimí
5-40 20 50
5-40
5-40 36 90
10
5-40 45 100
5-40 56 100
5-40
5-40 80 110
5-40 100 110




Hot Tags: BH-0.66-50 Claochladáin Reatha
Seol Fiosrúchán
Eolas teagmhála
Má tá aon fhiosrúchán agat faoi luachan nó comhoibriú, bíodh leisce ort ríomhphost a chur chugainn ag abhainn@dahuelec.com nó an fhoirm fiosrúcháin seo a leanas a úsáid. Rachaidh ár n -ionadaí díolacháin i dteagmháil leat laistigh de 24 uair an chloig. Go raibh maith agat as do spéis inár dtáirgí.
X
Úsáidimid fianáin chun eispéireas brabhsála níos fearr a thairiscint duit, chun anailís a dhéanamh ar thrácht an tsuímh agus chun inneachar a phearsantú. Trí úsáid a bhaint as an suíomh seo, aontaíonn tú lenár n-úsáid a bhaint as fianáin. Beartas Príobháideachta
Diúltaigh Glac