Zhejiang Sehnaider Electric Co., Ltd.
Zhejiang Sehnaider Electric Co., Ltd.
Táirgeacht
BH-0.66-60 Trasfhoirmeoirí Reatha
  • BH-0.66-60 Trasfhoirmeoirí ReathaBH-0.66-60 Trasfhoirmeoirí Reatha

BH-0.66-60 Trasfhoirmeoirí Reatha

Glacann an BH -0.66-60 Claochladáin Reatha an lasair PC - ábhar retardant, agus is croí toroidal an t -ábhar maighnéadach é an t -ábhar stiúrtha chun cruinneas an táirge a chinntiú ag leibhéil 0.2 agus 0.5. Maidir le leibhéil ultra -chruinnis amhail 0.2s agus 0.5s, ní féidir ach le maighnéid mhaoirseachta na riachtanais chruinneas sin a chomhlíonadh.

Tá BH-0.66-60 Claochladáin Reatha infheidhme maidir le córais cumhachta le minicíocht rátáilte 50Hz agus voltas rátáilte de 0.66kV, 0.69kV, 0.5kV agus thíos le haghaidh méadrú fuinnimh leictrigh, tomhas reatha agus cosaint sealaíochta.


Tá an claochladán reatha seo de Dahu le haghaidh úsáide laistigh, suiteáilte taobh istigh de chaibinéid agus boscaí dáilte. Tá dearadh ciorcaid maighnéadach núíosach, modhanna cúitimh ardleibhéil, teicnící próiseála fíorálainn, feidhmíocht shábháilte agus iontaofa, agus cuma bheag agus álainn.


Tá an bhlaosc seachtrach déanta as lasair ard -láidreachta - ríomhaire retardant le struchtúr atá faoi iamh go hiomlán agus rátáil lasair - retardant de V1. Tá an croí inmheánach déanta as bileoga cruach sileacain atá dírithe ar ardchaighdeán. Roghnaítear trastomhas na sreinge go docht de réir an dlús reatha eacnamaíoch chun a chinntiú go n -ardóidh níos lú teochta. Le trealamh tástála ardleibhéil agus iontaofa, cinntíonn sé go gcomhlíontar caighdeáin cháilíochta.


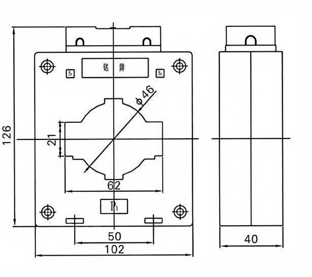
Tá cineálacha poll cearnógach agus cruinn ann, atá oiriúnach do threá aon -fhréamh nó il -chábla fréimhe nó treá aon -fhréamh -fhréamh. Tá sraith iomlán táirge aige, réimse leathan sonraíochtaí, agus raon leathan iarratais.


Feidhmithe

Monatóireacht agus méadrú fuinnimh

Cosaint Ciorcaid agus Comhordú Sealaíochta

Uathoibriú tionsclaíoch agus córais eangaí cliste

Sonraíochtaí teicniúla

Voltas Rátáilte: 0.66KV

Minicíocht: 50/60Hz

Rang cruinnis: 0.5, 1.0 (saincheaptha)

Leibhéal inslithe: 3kv/min


Príomhpharaiméadair theicniúla

Bunscoil rátáilte
sruth (a)
Cruinneas
ranganna
comhcheangal
Aschur tánaisteach rátáilte (VA) 1s sruth teirmeach (KA) 1S Reatha Dinimiciúil Rátáilte (KA)
0.2 (s) 0.2 0.5 10p10
5-40 0.2/10p10
0.5/10p10
/ 10 10 15 90ár 220lise
5-40 100lims 250 ítimí
5-40 20 50
5-40
5-40 36 90
10
5-40 45 100
5-40 56 100
5-40
5-40 80 110
5-40 100 110


Hot Tags: BH-0.66-60 Trasfhoirmeoirí Reatha
Seol Fiosrúchán
Eolas teagmhála
Má tá aon fhiosrúchán agat faoi luachan nó comhoibriú, bíodh leisce ort ríomhphost a chur chugainn ag abhainn@dahuelec.com nó an fhoirm fiosrúcháin seo a leanas a úsáid. Rachaidh ár n -ionadaí díolacháin i dteagmháil leat laistigh de 24 uair an chloig. Go raibh maith agat as do spéis inár dtáirgí.
X
We use cookies to offer you a better browsing experience, analyze site traffic and personalize content. By using this site, you agree to our use of cookies. Privacy Policy
Reject Accept