Zhejiang Sehnaider Electric Co., Ltd.
Zhejiang Sehnaider Electric Co., Ltd.
Táirgeacht
LMZJ1-0.5-80 Claochladáin Reatha
  • LMZJ1-0.5-80 Claochladáin ReathaLMZJ1-0.5-80 Claochladáin Reatha

LMZJ1-0.5-80 Claochladáin Reatha

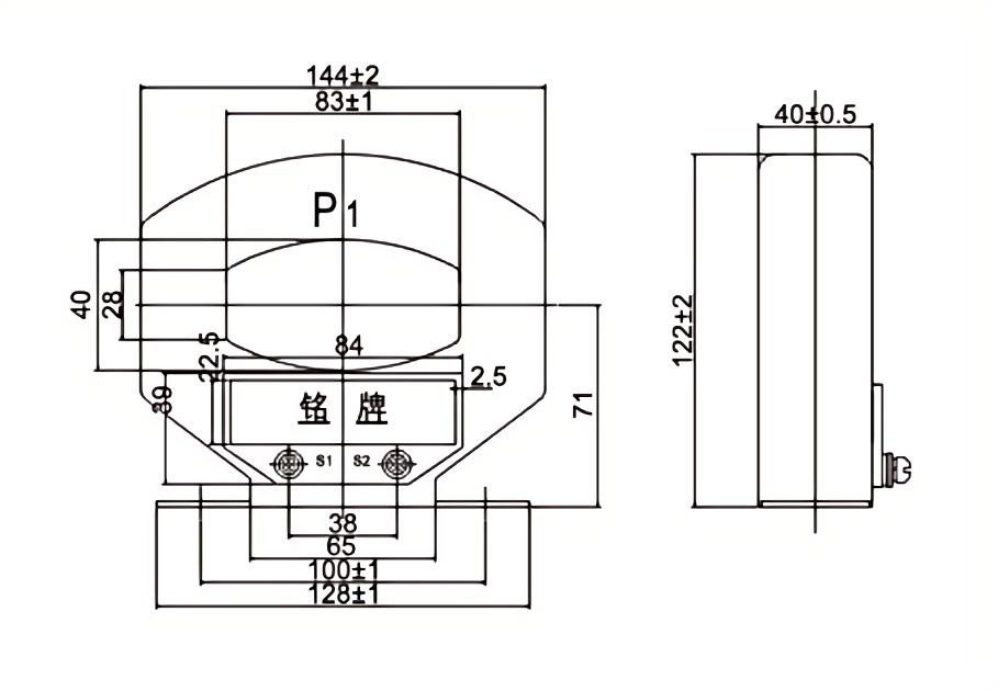
LMZJ1-0.5-80 Tá claochladáin reatha-innealtóireachta ann chun iarratais chruinn a thomhas agus a chosaint i gcórais leictreacha. Le raon reatha rátáilte de 0.5-80A, seachadann na claochladáin seo feidhmíocht iontaofa agus bheacht i dtimpeallachtaí tionsclaíocha éagsúla.

LMZJ1-0.5-80 Tá claochladáin reatha ar eolas mar gheall ar a chruinneas ard, a earráid uillinn ísealchéime, agus a líneacht den scoth, ag cinntiú tomhas beacht na leibhéil reatha. Tá na claochladáin reatha seo deartha le bheith dlúth agus éasca le suiteáil, rud a fhágann go bhfuil siad oiriúnach do raon leathan cumraíochtaí córais leictrigh. Tógtha le hábhair ardcháilíochta, tá LMZJ1-0.5-80 Trasfhoirmeoirí reatha buan agus soláthraíonn siad cobhsaíocht fhadtéarmach le haghaidh oibriú leanúnach. Iontaobhas LMZJ1-0.5-80 Claochladáin reatha le haghaidh tomhais reatha chruinn agus cosaint iontaofa do chórais leictreacha.


Sonraíocht

Voltas rátáilte 500V
Minicíocht Rátáilte 50Hz
Sruth príomhúil rátáilte 10a, 12.5a, 15a, 20a, 25a .., 6000A
Sruth tánaisteach rátáilte 5A; 1a
Cumhacht ualach tánaisteach
mórdhíoltóir
0.8 (moill)
Aschur rátáilte 2.5VA, 5VA, 10VA, 20VA
Cruinneas 0.2; 0.2s; 0.5; 0.5s
Friotaíocht aonraithe Friotaíocht leithlise na bunscoile go foirceannadh tánaisteach
agus go talamh ≥20mΩ
Minicíocht cumhachta
voltas a sheasamh
Luach bailí na foirceannadh bunscoile a sheasamh go foirceannadh tánaisteach
agus go talamh ≥ 3kV

Hot Tags: LMZJ1-0.5-80 Claochladáin Reatha
Seol Fiosrúchán
Eolas teagmhála
Má tá aon fhiosrúchán agat faoi luachan nó comhoibriú, bíodh leisce ort ríomhphost a chur chugainn ag abhainn@dahuelec.com nó an fhoirm fiosrúcháin seo a leanas a úsáid. Rachaidh ár n -ionadaí díolacháin i dteagmháil leat laistigh de 24 uair an chloig. Go raibh maith agat as do spéis inár dtáirgí.
X
We use cookies to offer you a better browsing experience, analyze site traffic and personalize content. By using this site, you agree to our use of cookies. Privacy Policy
Reject Accept